3d今晚最准一注_3d最新最准专家预预测_今晚3d专家推荐号码_3d专家预测最准确最新_3d小胆神独胆今天,3d今天专家预测推荐号码_中国福彩3D独胆下一期分析_3d玩彩老头预测今天号码_詹天佑3d今天预测号码是_今晚3d预测推荐 ,3d双胆独胆推荐_3d今天推荐号_今天3d开机号和试机号对应码多少_3d栋栋预测牛彩网_中国福彩3D独胆大神预测最新 ,孟庆会专家3d预测_3d专家最新最准今天预测_今晚3d字谜解太湖_今日3d 开奖号_太湖3d字谜太湖钓叟三字诀每日更新

  • 服務熱線:021-80370923

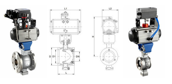
氣動V型球閥

氣動V型球閥圖片

氣動V型球閥

  • 閥門型號:VQ677F,VQ677H,VQ677Y
  • 通徑規格:DN25~DN300
  • 結構形式:V型球芯
  • 閥體材質:鑄鋼(WCB)、不銹鋼(304、316、316L)
  • 公稱壓力:PN16、PN25、PN40、PN64
  • 適用溫度:-40℃~450℃
  • 應用范圍:泥漿、纖維、含有微小固體懸浮物介質
  • 產品特點:動作靈敏,具有卓越的切斷性能和調節性能,適用范圍廣

氣動V型球閥概述:

氣動V型球閥是一種球芯為V型結構的調節球閥,閥芯是1/4球殼,開有V型缺口,
流通能力大,具有剪切力,能關閉嚴密等特點。氣動V型球閥根據V型球芯與管道形成的V型角度,
隨著球的旋轉,可使用中間開度面積的變化進行流量調節,
并可切斷流體中夾雜的雜質而關閉,適用于紙漿、砂漿、粘性流體的控*。
 
氣動V型調節球閥
氣動法蘭V型球閥                                                                                          氣動對夾式V型球閥

氣動V型調節球閥應用:
 
氣動V型球閥具有良好的切斷性能和調節性能,廣泛適用于控*紙漿、污水、含有纖維和固體顆粒
懸濁介質以及高溫蒸汽、干氣體等介質,特 一般情況下V型球閥都是單密封球閥,不適合用來雙向使用。
 
氣動V型球閥特點:      【氣動V型球閥工作原理動態圖
 
1,氣動V型調節球閥有近似等百比的固有流量特性及直線特性;采用雙軸承結構,
啟動扭矩小,具有極好的靈敏度和感應速度;
2,氣動V型球閥球芯上帶有V型切口,在關閉時,V型缺口與硬密封閥座產生較強剪切力,
可將含有纖維性介質切斷,并有效防止球芯卡死;
3,氣動V型調節球閥具有一個V型閥芯結構,即使在小流量或高粘度介質的工況中,
也可在整個量程范圍內,保證控*的*準性和*確性;
4,氣動V型球閥一般與閥門定位器及其它附件配套使用,適用于各種調節場合,
額定流量系數大,調節性能靈敏,,可調范圍大可豎臥安裝。

氣動V型調節球閥技術參數:

公稱通徑 DN25~DN300(mm) 
公稱壓力 PN1.0、1.6、2.5、6.4MPa
連接方式 法蘭式、對夾式
驅動形式 壓縮空氣4-7bar,可帶手動裝置
溫度范圍
軟密封:-30~180℃;硬密封:-40~450℃
閥芯結構 V字型切口球芯
密封材料 增強聚四氟乙烯 對位聚苯 金屬密封
閥體材質 碳鋼WCB、不銹鋼304、316、316L
作用形式 單作用(彈簧復位)、雙作用(氣開氣關)
控*方式 開關兩位切斷、*準調節型4-20mA模擬信號(均可選防爆)

氣動V型調節球閥作用:
氣動V型球閥按密封性能分為軟密封和硬密封,軟密封一般使用低壓常溫場所,
而硬密封可應用于常溫及高溫高壓管路中。根據控*方式分為調節型和開關切斷型,
開關型型按作用形式可分為單作用和雙作用式,而調節型應當選用雙作用式,
單作用執行器的獨特優點是一旦氣源失氣或管道故障的情況下,
氣動V型球閥將按控*系統的要求自動復位到閥門關閉或開啟的狀態。


相關產品: 電動V型球閥    氣動調節球閥    氣動O型切斷球閥

上一篇:氣動衛生級球閥 下一篇:氣動調節球閥